TécnicoVelocidad bomba en el que se basan los datos de la bomba: 3480 rpm Caudal nominal: 8.98 GPM US Altura nominal: 116.2 ft Impulsores: 4 Cierre primario: AQQE Código del cierre: AQQE Homologaciones: CULUS,EAC,CURUS Homologaciones para agua potable: WRAS,ACS,NSF61 Tolerancia de curva: ISO9906:2012 3B Versión de la bomba: A Modelo: A MaterialesCuerpo hidráulico: Fundición Carcasa de la bomba: EN-GJL-200 : ASTM A48-25A Impulsor: Acero inoxidable : EN 1.4301 : AISI 304 Código de material: A Código para caucho: E InstalaciónRango de temperaturas ambientes: -4 .. 131 °F Presión de trabajo máxima: 145.04 psi Presión máxima a la temp. declarada: 145 psi / 194 °F Tipo de conexión: NPT(F) Tamaño de la conexión de entrada: 1 inch Tamaño de la conexión de salida: 1 inch Posición de salida: 12 Código de conexión: S | LíquidoLíquido bombeado: Agua Rango de temperatura del líquido: -4 .. 194 °F Temperatura del líquido durante el funcionamiento: 68 °F Densidad: 62.29 lb/ft³ Datos eléctricosNormativa de motor: NEMA Tamaño de estructura: 71BA Potencia nominal – P2: 0.805 HP Frecuencia de red: 60 Hz Adecuado para 50/60 Hz: N Tensión nominal: 1 x 115/230 V V Factor de servicio: 1.00 Tensión nominal: 7.6/3.9 A Intensidad de arranque: 260 % Velocidad nominal: 3240 rpm Grado de protección (IEC 34-5): IP55 Clase de aislamiento (IEC 85): F Protección estándar Ex: NONE Cable incluido (Sí/No): N Paneles controlConvertidor de frecuencia: None |
Bomba CentrÍfuga CM 1-2 A-S-A-V-AQQV E-A-A-N
3 disponibles
Adecuado para:
· Calefacción edificación comercial.
· Aire acondicionado en edificación comercial.
· Aumento de presión – Edificios comerciales.
· Calefacción urbana.
· Aumento de presión doméstico.
· Lavado y limpieza.
· Calefacción industrial.
· Suministro industrial de agua.
· Desalinización.
· Distribución de agua.
· Riego.
· Abastecimiento de agua comunitaria.
· Agua subterránea para agricultura.
· Agua superficial para agricultura.
· Abastecimiento de agua a ganado y fauna salvaje.
· Tratamiento de agua, fertirrigación, quimigación y dosificación.
· Riego por pivot y laterales.
· Riego por goteo, micro aspersión y manguera.
· Protección contra heladas.
· Soluciones de bombeo solar y abastecimiento de agua.
· Control y gestión digital del agua subterránea.
· Control y gestión digital del agua subterránea.
· Tratamiento del agua en bombeo solar – Fertirrigación y dosificación.
· Soluciones de bombeo solar municipal.
· Soluciones de bombeo solar para agricultura.
· Abastecimiento de agua a ganado mediante bombeo solar.
· Soluciones solares comunitarias.
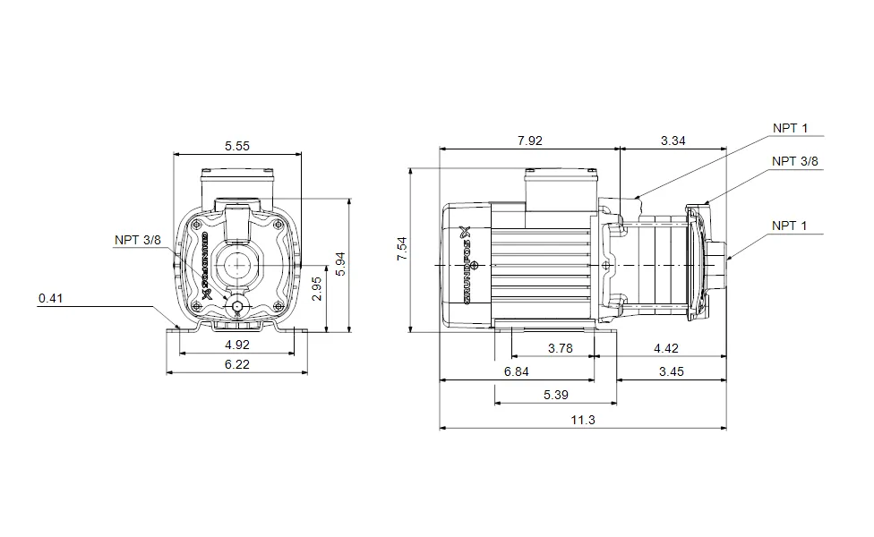
Bomba CentrÍfuga CM 1-2 A-S-A-V-AQQV E-A-A-N de aspiración axial, compacta, fiable, horizontal y multietapas, cuenta con un puerto de aspiración axial y un puerto de descarga radial. El eje, los impulsores y las cámaras están fabricados en acero inoxidable. Las piezas de entrada y descarga están fabricadas en fundición. El cierre mecánico es de junta tórica y no equilibrado, y posee un diseño especial. La conexión de las tuberías se realiza mediante roscas de tubería NPT internas. La bomba está equipada con un motor asíncrono de 3 fases, refrigerado por ventilador y montado sobre soportes.
$ 1.983.520 IVA incluido
3 disponibles
| MODELO | TIPO DE MATERIAL | POTENCIA (HP) | FASES | VOLTAJE (V) | CAUDAL NOMINAL (m³/h) | ALTURA NOMINAL (m) | SUCCIÓN NPT (Pulg.) | DESCARGA NPT (Pulg.) |
|---|---|---|---|---|---|---|---|---|
| CM 1-2 | A | 0,8 | 1 | 115/230 | 2,0 | 17,2 | 1 | 1 |
| A | 0,6 | 3 | 208-230/440-480 | 17,2 | 1 | 1 | ||
| CM 1-3 | A | 0,8 | 1 | 115/230 | 26,3 | 1 | 1 | |
| A | 0,6 | 3 | 208-230/440-480 | 26,3 | 1 | 1 | ||
| CM 1-4 | A | 0,8 | 1 | 115/230 | 35,4 | 1 | 1 | |
| A | 1,0 | 3 | 208-230/440-480 | 35,4 | 1 | 1 |
Based on 0 reviews
Be the first to review “Bomba CentrÍfuga CM 1-2 A-S-A-V-AQQV E-A-A-N”
| Descripción | Documentos |
|---|---|
| Especificaciones de Producto |
|























There are no reviews yet.